随着“双碳”目标的深入推进,我国新能源装机规模持续攀升。截至2024年底,全国太阳能发电装机容量已达8.9亿千瓦,风电装机容量约5.2亿千瓦,风电、光伏正逐步成为电力系统的重要组成部分。然而,新能源发电固有的随机性、波动性也给电网稳定运行带来严峻挑战,“弃风弃光”问题依然突出。在此背景下,保证能源安全前提下,高效、灵活地利用新能源,成为能源转型的关键命题。氢能作为清洁高效的二次能源,具备跨季节、跨地域储存和调节的优势,而高效动态制氢技术正是打通新能源与氢能耦合的关键桥梁,成为推动新能源大规模消纳、构建新型电力系统的前沿方向。
一、破局新能源消纳挑战,高效动态制氢技术成行业“香饽饽”
在传统电力系统中,风电、光伏等新能源被视为“被动能源”,其出力受天气条件制约,难以匹配用电负荷的实时变化,导致大量清洁电力无法有效利用。尤其在三北、西部地区等新能源富集区域,电力输送通道不畅、调节能力有限,弃电现象频发。
与此同时,氢能因其能量密度高、储存周期长、应用场景广等优势,被视为未来能源体系的重要组成部分。而将波动性强的新能源电力通过电解水转化为绿氢,不仅可实现可再生能源的“时空平移”,还能为工业、交通等领域提供零碳能源,推动能源结构深度脱碳。
然而,传统电解水制氢系统通常依赖稳定电源,难以适应新能源功率的剧烈波动,存在能耗高、调节慢、运行区间窄等瓶颈。因此,发展具备宽功率调节能力、快速动态响应、高效能量转换的动态制氢技术,成为行业共识与技术竞争的焦点。
二、华能清能院深耕装备研发,练好绿氢动态制备“基本功”
作为能源央企科技创新的主力军,华能清洁能源技术研究院(以下简称“华能清能院”)2016年起便前瞻布局高效动态制氢技术,围绕电解槽核心制氢装备与氢电耦合系统控制两大方向,开展了一系列原创性、体系化攻关。
(一)装备突破:高电流密度、高性能碱性电解槽
针对传统碱性电解槽电流密度低、能耗高、难以适应宽功率波动等问题,华能清能院自主研发了国际首台套1300标方/时高电流密度压力型碱性电解槽,实现多项技术跨越:
高电密——电流密度领先行业平均水平:额定电流密度达5000安培/平方米,最高可达6000安培/平方米,引领行业电解槽高电密技术路线发展方向。
低能耗——制氢装备能效领先:每标方氢气的制氢直流能耗低于4.14千瓦时(电流密度1000-5000安培/平方米),显著优于国家一级能效标准及国内外平均水平。
低成本——电解槽结构紧凑:产能比(体积)提升23%,比常规1000标方/时电解槽体积减小三分之一以上,单位产氢设备投资成本降低25%。
这些突破得益于华能清能院在电催化剂材料、极板流场设计、电解槽结构集成等方面的系统性创新,包括开发镍铁合金纳米锥、镍钼合金纳米阵列等高活性电极材料,构建立体多向均质流场构型,提升气液流动均匀性,有效抑制氢氧互串风险。


2米×2米大电极网实物图及极板结构可视化示意图

常规1000标方/时和自研1300标方/时电解槽尺寸对比图
(二)控制升级:多时间尺度协同的柔性氢电耦合系统
为解决新能源功率波动对制氢系统的冲击,华能清能院构建了具备百毫秒级快速响应能力的氢电协同控制系统,实现从“被动跟随”到“主动适应”的跨越:
多维精准建模实现系统宽功率快速调节:构建电-热-质-力耦合模型(精度>98%)支撑控制系统调节优化,系统负荷调节范围达15%~120%,功率调变速率达10%/秒,显著提升响应速度、抗扰能力与宽功率运行稳定性。
大功率柔性离网动态电解制氢匹配性电源系统:研制出国内外功率等级最高、输出电流最大的8.3兆瓦级大功率IGBT制氢电源,突破传统制氢电源功率瓶颈,额定电流超30000安培,能量转换效率>97.5%。
多时间尺度能量管理及多能流协同一体化系统:开发多时间尺度能量管理算法,实现日前规划、日中优化、实时跟踪的三级闭环控制,支撑新能源出力与制氢负荷的秒级匹配,全站整体协同效能显著,电氢耦合跟随精度偏差小于1%。

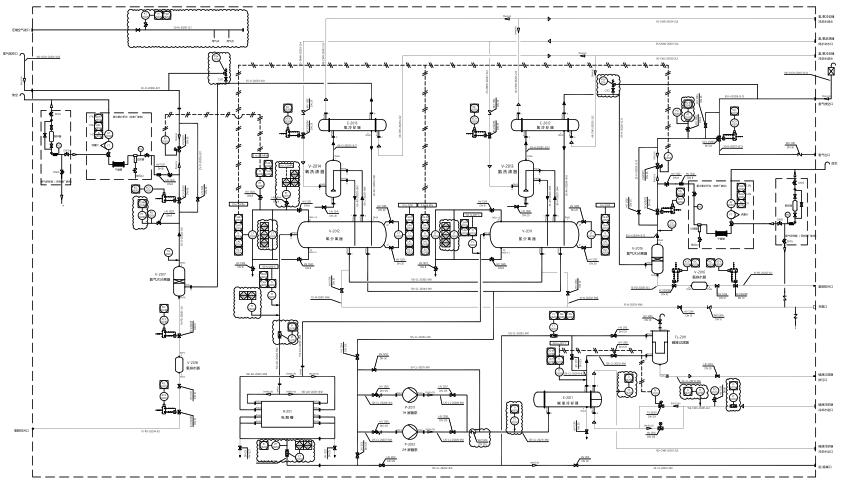
电解制氢先进控制工艺流程图
清能院重视氢能领域知识产权成果保护,已授权发明专利100余项,在国内外电解制氢领域多个知识产权权威榜单中名列前茅。在标准引领方面,构建了“基础性保障—通用性指导—专业性细分”有机结合的技术标准体系,已发布国家标准《电解水制氢用电极性能测试与评价》、牵头制定行业标准《可再生能源碱性水电解制氢系统技术要求》、团体标准《波动运行碱性水电解制氢系统技术要求》、《工业水电解制氢装置运行管理导则—压力型碱性水电解》等。有效填补在核心部件性能评价、系统通用技术要求、新能源场景专用规范三个关键方向存在的标准空白或不足。
三、标杆项目接连落地,争做绿氢行业发展“弄潮儿”
技术的成熟离不开场景的验证。华能清能院依托华能彭州水电解制氢科技创新示范项目与华能张掖光伏制氢项目,实现了高效动态制氢技术从实验室走向工程化的跨越,树立了行业标杆。
(一)华能彭州水电解制氢科技创新示范项目:西南地区首个大规模绿氢示范站
技术集成典范:采用2台1300标方/时碱性电解槽,年产高纯氢1860吨,氢气纯度达99.999%。
能效领先:在商业电解槽常规3000-3500安培/平方米的电流密度区间内,每标方氢气的直流电耗低于4.2千瓦时,电能转换系统整流电源效率达到99%。
商业化突破:2024年6月成功售出第一车氢气,正式投入商业运营,服务“成渝氢走廊”建设,为500辆氢燃料电池车提供清洁氢气。
该项目作为唯一入选2023年夏季达沃斯论坛《中国绿色氢能发展路线图》的绿氢示范案例,展现了我国在绿氢提效降本方面的国际竞争力。

(二)华能张掖光伏制氢项目:国内最大光伏适应性制氢系统
光氢直连创新:配套8兆瓦光伏电站,构建“光伏发电-制氢-充装”一体化系统,实现新能源直连制氢。
动态响应优异:系统具备15%~120%宽功率调节能力,响应速度达10%/秒,支持20%低负荷长时稳定运行。
实现国产化突破:采用全国产睿渥DCS系统,8.3兆瓦制氢电源为当前国内单体最大IGBT制氢电源。
该项目是国内首个实现“兆瓦级光-氢-储-充”全链条示范的绿氢项目,为高比例新能源地区氢能发展提供了可复制、可推广的样本。

高效动态制氢技术,不仅是新能源消纳的“解困之钥”,更是氢电耦合能源革命的“先手棋”。华能清能院通过装备突破、控制升级与项目示范,打通了从“绿电”到“绿氢”的技术链条,推动氢能产业从“示范探索”迈向“规模化商用”。
未来,随着新型电力系统建设深入推进,高效动态制氢技术将在电网调峰、跨区域储能、工业脱碳等领域发挥更大价值。华能清能院也将继续深化技术创新与标准引领,为我国绿氢产业高质量发展注入更强动能。
切换行业






正在加载...



