从“有”到“精”
电解水制氢纯化系统
关键技术剖析
引言
氢气纯化——绿氢价值链的关键环节
随着全球能源结构向低碳化转型,氢能作为清洁、高效的二次能源载体,正受到日益广泛的关注。在众多制氢技术中,电解水制氢因其过程零碳排放、产品纯度高等优势,被视为实现绿色氢能规模化生产的核心路径。根据市场研究数据,未来几年全球电解制氢市场将保持高速增长。然而,从电解槽产生的粗氢气中含有多种杂质,必须经过纯化处理才能满足燃料电池、电子工业等高附加值应用的需求。因此,高效、经济的纯化技术已成为电解水制氢产业链中不可或缺的关键环节,直接影响氢气的最终品质和使用安全。
1、氢气纯化的必要性
从杂质来源到应用要求
电解水制氢过程中,氢气中的杂质主要来源于电解液挥发、水汽携带、微量氧气以及系统材料腐蚀等途径。这些杂质对氢气后续应用的危害不容忽视。例如,在电子工业中,氢气被用于半导体元件的还原气氛处理,任何微量杂质都可能引入缺陷,导致器件性能下降甚至失效。更为严重的是,氧气与氢气在特定浓度范围内会形成爆炸性混合物,直接威胁使用安全。
不同应用场景对氢气纯度有着严格的标准。一般工业用氢的纯度要求通常在99.9%以上;在高端电子制造领域,甚至要求氢气纯度不低于99.9999%。因此,根据电解技术路线和最终用途,选择合适的纯化方案至关重要。纯化系统不仅需要确保产品气的纯度,还需兼顾能效比、运营成本和系统稳定性等多重指标。
2、主流纯化技术原理与性能分析

(1)变压吸附技术(PSA)
变压吸附技术基于吸附剂对杂质组分在不同压力下的吸附容量差异实现分离提纯。该技术采用4~12塔切换循环操作方式,通过吸附、降压、脱附、升压的循环工艺实现连续生产。PSA技术的核心优势在于其适应性广和自动化程度高,能够处理各种来源的粗氢气。特别是在大规模制氢场景中,PSA展现出良好的经济性。然而,该技术对进料气的预处理要求较高,且存在氢气回收率与产品纯度之间的权衡问题——提高产品纯度通常会导致更多的氢气损失。

(2)膜分离技术
膜分离法是一种很有前途的生产超纯氢气的技术,具有操作灵活、能源效率高、结构紧凑、占地面积小、环境友好、运行成本低以及与现有工业化工艺简单集成等优点。膜分离法的基本原理是通过膜选择性渗透和扩散特定气体组分的特性,达到分离和纯化气体的目的。

(3)深冷分离技术
深冷分离是一种基于沸点差异的低温精馏工艺,通过气体液化实现组分分离。该方法适用于原料气中氢气含量较低的工况,该技术可获得90%-98%纯度的氢气,主要优点是收率高达98%左右,但其低温操作特性导致设备投资高,压缩、冷却能耗大,工艺装置操作弹性较低,限制了其应用范围。
(4)变温吸附技术(TSA)
变温吸附技术依据吸附剂平衡吸附容量随温度升高而降低的特性,通过常温吸附、升温脱附实现杂质分离。该技术工艺流程简单、投资成本低、自动化程度高、产品纯度优越,且吸附剂使用寿命长。但由于再生过程中加热和冷却缓慢,需数小时甚至更长时间,故不适用于杂质浓度较高的原料气处理。
(5)金属氢化物纯化技术
该技术利用储氢材料对氢气的选择性吸收特性,通过金属与氢气的可逆化学反应实现氢气的纯化与储存。金属氢化物法可获得99.9999%以上的超高纯度氢气,具有工艺简单、能耗低等优势,是最具潜力的高纯氢制备技术之一,其兼备净化与储存两种功能,通常被广泛应用于氢气的储存和净化领域。然而,其氢处理量较小、成本较高且存在回收率问题,限制了规模化应用。

(6)催化脱氧技术
催化脱氧技术采用钯系催化剂,通过氢气与氧气反应生成水的方式去除氧杂质。该技术基于2H₂ + O₂ → 2H₂O反应原理,具有催化剂用量少、催化活性高、反应条件温和等优点,设备成本低且操作简便。其主要缺点在于催化剂易发生中毒现象,需配合后续吸附干燥工艺去除反应生成的水分。

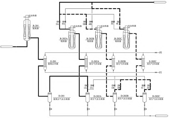
3、电解水制氢纯化工艺
电解水氢气纯化部分主要有催化脱氧系统和吸附干燥系统组成,设置催化脱氧器、干燥器、再生气水分离器、再生气加热器等设备和各种阀门,以及检测、控制用的现场指示仪表和远传仪表等。
氢气纯化系统一般采用三台干燥器轮流工作,采用产品气再生方式,不仅干燥程度高,而且没有再生气的损耗。具体工艺流程包括:
催化脱氧系统:含氢气在钯系催化剂作用下,氧气与氢气在常温下生成水
冷却分离系统:采用低温水将氢气冷却,使水分冷凝分离
吸附干燥系统:采用活性氧化铝和分子筛复合床层进行变温吸附脱水

4、技术挑战与未来展望
当前技术挑战
尽管电解水制氢纯化技术已取得长足进步,但在走向大规模商业化应用的过程中仍面临多重挑战:
系统集成与能效优化是纯化技术面临的首要挑战。纯化过程本身消耗能量,会增加制氢的综合成本。特别是在波动性可再生能源作为电力来源的场景下,纯化系统需要具备快速响应和宽负荷运行能力。
成本控制是另一个关键挑战。对于变温吸附系统,吸附剂的寿命和再生能耗直接影响运营成本;而钯膜纯化技术中昂贵的钯系催化剂占据了初始投资的大部分。在保证纯化效果的前提下,通过材料创新和流程优化降低综合成本,是纯化技术推广的必由之路。
未来发展方向
面对上述挑战,电解水制氢纯化技术正朝着高效化、低成本化和智能化方向演进:
新型纯化材料的开发是基础研究的重点。开发高选择性吸附剂、复合膜材料以及高效催化剂等,可以显著提升纯化效率和降低能耗。
流程创新与系统优化同样至关重要。通过优化纯化序列、集成多种纯化单元、开发新型工艺,可以实现更低的能耗和更高的回收率。例如,将变温吸附与其他纯化技术结合,实现最佳的经济性。
随着人工智能技术的发展,未来也可能通过植入传感器实时监测纯化效率,利用大数据分析预测吸附剂寿命,结合自适应控制算法优化操作参数,可显著提升纯化系统的可靠性和经济性。
结语
电解水制氢纯化技术作为连接制氢与用氢的关键环节,对氢能产业的健康发展至关重要。
未来电解水制氢纯化技术将更加注重全链条协同优化,从材料、工艺到系统集成多个层面寻求突破。同时,随着标准化体系的完善和人工智能技术的发展,纯化系统的可靠性和经济性将得到进一步提升。只有通过持续的技术创新和产业协同,电解水制氢纯化技术才能更好地支持绿色氢能规模化发展,为全球能源转型和碳中和目标实现提供坚实支撑。
参考文献:
[1]黄宗响,谢淑贤,张荣顺,等.常用氢气纯化技术及其在电解水制氢工艺中的应用[J].山东化工, 2023, 52(19):182-185.
[2]李文彬,吴亚洲,郑浩,等.氢气纯化技术研究进展[J].化学工业与工程, 2024, 41(1):47-70.
切换行业






正在加载...



