氢能汇获悉,近日,工业和信息化部 财政部 税务总局发布《关于调整享受车船税优惠的节能 新能源汽车产品技术要求的公告》,本公告自2026年1月1日起实施。
文件指出,燃料电池商用车技术要求为:
1.燃料电池系统的额定功率不小于50kW,且与驱动电机的额定功率比值不低于50%。
2.燃料电池启动温度不高于-30°C。
3.燃料电池电堆额定功率密度不低于2.5kW/L,系统额定功率密度不低于300W/kg。
4.纯氢续驶里程不低于300公里。
全文如下:

关于调整享受车船税优惠的节能 新能源汽车产品技术要求的公告
2025年第25号
为适应节能与新能源汽车产业发展和技术进步需要,结合《乘用车燃料消耗量限值》(GB 19578—2024)、《轻型商用车辆燃料消耗量限值及评价指标》(GB 20997—2024)、《重型商用车辆燃料消耗量限值》(GB 30510—2024)等标准发布实施,现就《财政部 税务总局 工业和信息化部 交通运输部关于节能 新能源车船享受车船税优惠政策的通知》(财税〔2018〕74号)中享受车船税优惠的节能、新能源汽车产品技术要求有关事项公告如下:
一、对财税〔2018〕74号文中第一条第(一)项、第(二)项中涉及的节能乘用车、节能轻型商用车、节能重型商用车综合工况燃料消耗量限值标准进行更新,详见本公告附件1、附件2、附件3。
二、对财税〔2018〕74号文中第二条第(二)项中涉及的新能源汽车产品技术要求进行调整,详见本公告附件4。
三、享受车船税优惠的节能、新能源汽车产品其他技术要求继续按照财税〔2018〕74号文有关规定执行。
四、本公告自2026年1月1日起实施。工业和信息化部、财政部、税务总局公告2024年第10号同时废止。2026年1月1日前企业完成申请的,相关技术要求继续按照财税〔2018〕74号文和2024年10号公告规定执行。2026年1月1日(含)起,新申请享受车船税优惠政策的节能、新能源汽车车型,其技术要求按照本公告规定执行,符合条件的列入新的《享受车船税减免优惠的节约能源 使用新能源汽车车型目录》(以下简称新《目录》)。新《目录》自第八十二批开始。
新《目录》公告后,第六十五批至第八十一批《目录》同时废止,原《目录》中符合本公告技术要求的车型将自动转入新《目录》,不符合本公告技术要求的车型应于2026年1月1日前完成整改和重新申报,符合要求的可列入新《目录》。
五、新《目录》公告前,已取得的列入第四批至第八十一批《目录》的节能、新能源汽车,不论是否转让,可继续享受车船税减免优惠政策。
特此公告。
附件:1.节能乘用车综合工况燃料消耗量限值标准
2.节能轻型商用车综合工况燃料消耗量限值标准
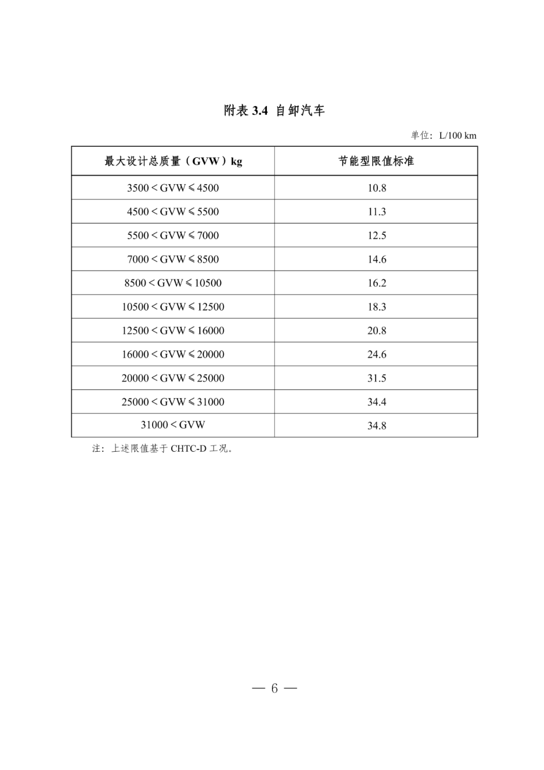
3.节能重型商用车综合工况燃料消耗量限值标准
4.新能源汽车产品技术要求
工业和信息化部
财政部
税务总局
2025年9月29日
关于调整享受车船税优惠的节能 新能源汽车产品技术要求的公告.pdf










来源:工信部
切换行业






正在加载...



